液壓系統是全自動液壓機的精髓,它決定了液壓機如何工作,它包括動力元件、執行元件、控制元件、輔助元件和液壓油。設備的好壞除了設備元件質量決定外,還取決于液壓系統設計的合理性、系統元件性能的優劣、系統污染防護和處理。隨著我國液壓技術水平的提高,靠進口液壓設備的局面已經被打破,國產化設備被大范圍使用,在我們的生活與工作中會經常接觸液壓機設備,分析液壓系統原理圖至關重要。
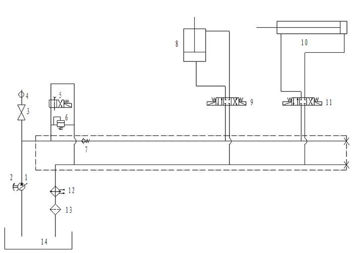
液壓系統由信號控制和動力控制兩部分組成,信號控制用于控制液壓閥的工作情況,從而實現油液的流向、壓力和方向。在液壓系統原理圖上是使用連線把液壓元件的圖形符號連到一起,下面我們就拿一個簡單的原理圖來分析下:

1、2是電機和單向液壓泵,在電機的帶動下將油箱內液壓油輸送至閥塊內;3、4是壓力表和壓力表開關,通過他們來調整設備的實際壓力;5、6是電磁溢流閥,起定壓溢流的作用,當壓力超過設置的壓力時會將油排到郵箱,起到一個安全保護的作用;7是單向閥,液壓油通過該管路只能向前流,不能回流;8是主油缸,產品成型時用;9、11是換向閥,通過控制柜發出信號,來調整油路流向,從而控制油缸的伸縮;10是布料缸,起到一個布料和將成品推出的作用;12是冷卻器,回油溫度高,需要冷卻后才能排回油箱,高溫液壓油會影響設備的性能;13是回油過濾器,將回油中的雜質過濾出去,防止再進入油路損壞油缸、閥、泵等液壓元件;14是油箱,應定期清理油箱,液壓油不可加注過滿。
全自動液壓機是靠電腦控制柜發出指令信號,當液壓閥接收到信號后,改變油路走向,來控制油缸的伸縮,從而實現液壓機的工作。液壓系統設計的好壞、液壓元件的質量至關重要,它是設備的精髓,是設備的控制系統。
河南省杜甫機械制造有限公司
公司地址:河南省鞏義市站街開發區
公司電話:0371-64422067
手機號碼:18624915999
公司郵箱:dufujx@foxmail.com
公司網址:http://www.spurtech.com.cn
手機版 備案號:豫ICP備12007906號-8